■ レーザー専用集塵機
■レーザー彫刻のための集塵機 マックスクリーンボー2S
マックスクリーボー2Sは大幅に小型化、低価格化を実現しました。ゴム等の加工時のいやな臭いを完全にカットし、しかも屋外への排気は不要です。
マックスクリーンボー2Sは臭いを取り除く集塵機です。

■ マックスクリーンボー2Sの仕様
■レーザー専用集塵機
| 出力 | 300 W | |
| 電圧 | 100V単相(50/60Hz) | |
| 定格電流 | Loモード:2.5A Hiモード:4.3A | |
| 最大風量 | Loモード:3.0m3/min Hiモード:3.7m3/min | |
| 最大静圧 | Loモード:2.5kPa Hiモード:4.2kPa | |
| 騒音値 | Loモード:42〜55dB Hiモード:57〜60dB | |
| 吸込口サイズ | φ65(別売φ50・φ38) | |
| オプション対応 | 200V単相(-T)、CE対応(-CE) | |
| 電源コード | 3m | |
| 本体質量 | 16.5 kg | |
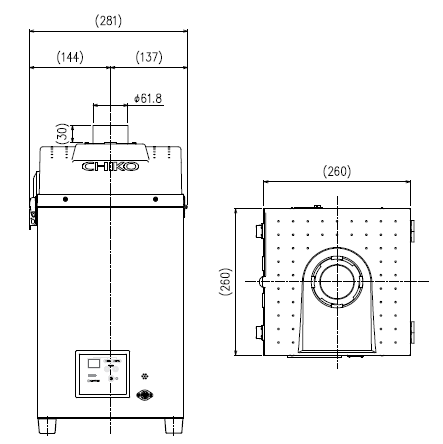
| 本体寸法(D×W×H) | 270mm × 281mm × 546mm |
※1 吸込み口にホースを接続し本体より1m離れた任意の点でAスケール(dBA)で測定した値です。
※2 リモートコントロール機能をご使用の際には、別売のリモートケーブルが必要です。
※3 オプション対応となります。
内容は予告なく変更する場合があります。

付属品
| 1次フィルタ CHF-2222-40 1枚 | ![]() |
| 2次フィルタ(活性炭カセット) ACC-2525-75ST 1枚 | ![]() |
| 排気フィルタ HEP-3220-69 1枚 | ![]() |
■ 取扱説明書
■ マックスクリーンボー2Sの特徴
24時間連続運転可能・小型高性能。近年要望が高い装置の小型化に貢献いたします。 もちろん50Hz/60Hzともに同一性能でご利用いただけます。
- プレフィルタ(1次フィルタ)
特殊な構造によって、衝突緩衝した粉塵は、粒子が大きくなり1次フィルタにて捕集されます。 1次フィルタで使用されている材質は、ポリプロピレンプリーツ形状でカセットタイプになっています。 簡単に交換ができる使い捨てタイプです。 - 活性炭フィルタ(2次フィルタ)
1次フィルタで捕集されなかった細かい粒子は、粒状活性炭内を通過時に衝突して捕集されます。 この時臭いも同時に吸着します。 - 高性能フィルタ(3次フィルタ)
活性炭フィルタから出た微粉塵を捕集して空気を清浄化して排気します。 2次フィルタで捕集されなかった粒子を高性能フィルタがキャッチします。 活性炭粒子のブロア側への侵入もここで防いでいます。
■ 消耗品
■ 消耗部品一覧
レーザー館よりご購入いただけます。
| 品名 | 入数 | |
|---|---|---|
| プレフィルタ (1次フィルタ) |
CHF-2222-40 | 1枚 |
| 活性炭フィルタ (2次フィルタ) |
ACC-2525-75ST (活性炭量 約1.6kg) |
1枚 |
| 高性能フィルタ (3次フィルタ) |
CHF-2525-50 | 1枚 |
※注)上記消耗年数はお客様の使用頻度、吸込み濃度によって変わります。
消耗品を廃棄する際は、加工している素材と同じゴミとして分別してください。ゴムを加工したならば、ゴムとして廃棄してください。














































